ZZZ

Zaccaria/Associated Leisure Hyper Sports Maintenance 2014

06/06/2014 - Northwest Pinball and Arcade Show (2014)

Submitted for the first time into the show, the game made it through the show with a couple of issues. First, on Saturday the credit board died and had to be swapped out. Second, the monitor had lost red by Sunday. Aside from that, the game ran fine :)

18/07/2014 - Credit board repair

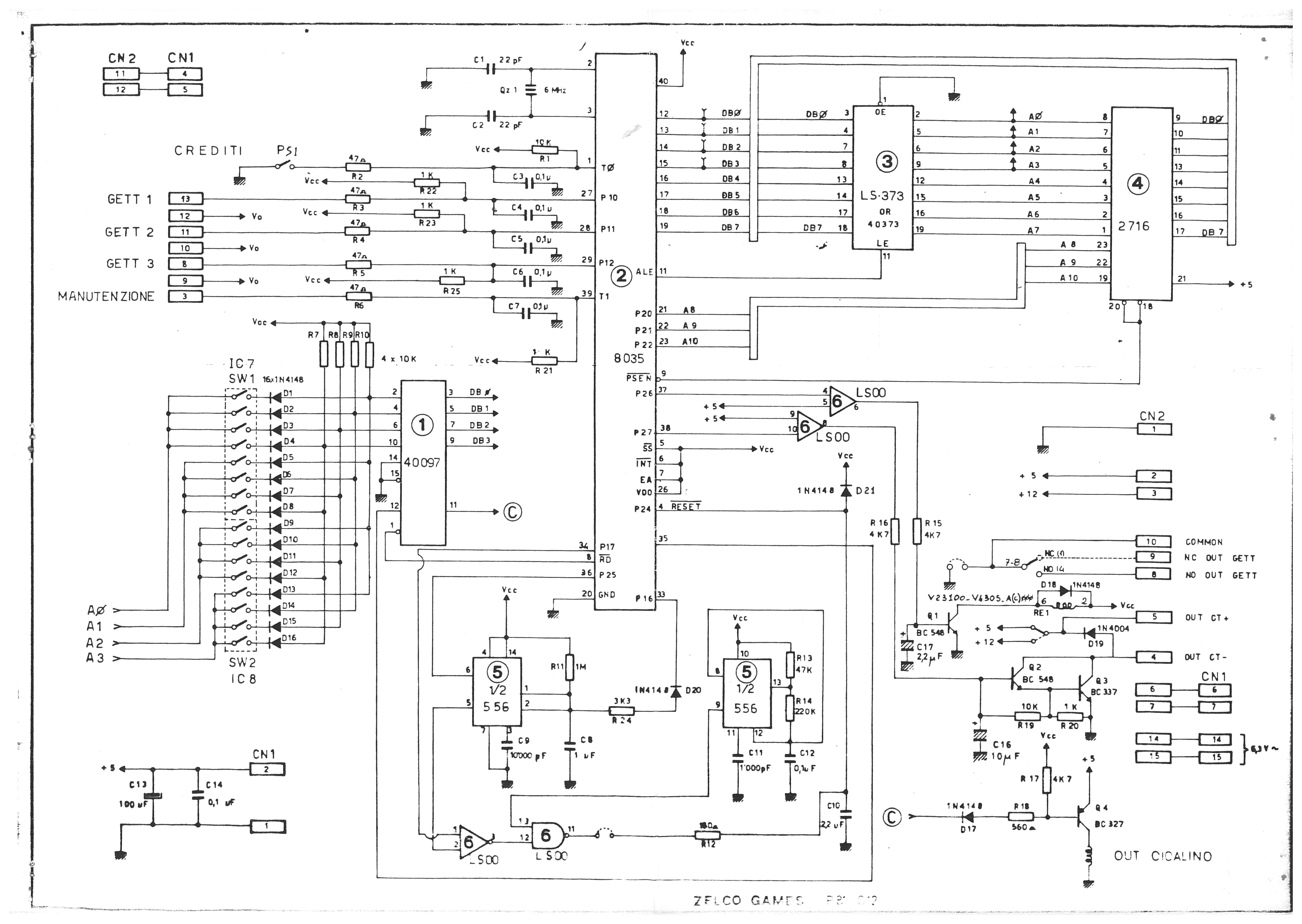
Zaccaria credit board (GETT) 1B1185 on the bench Zaccaria credit board (GETT) 1B1185 schematic Zaccaria credit board (GETT) 1B1185 fixed

The Zaccaria credit board (1B1185) was used in the later universal cabinets and replaced an all logic credit board that was used in earlier cabinets. The schematic is linked from the picture above and the full information is in the Universal type manual:-

300 DPI Universal type Z040-B0 manual scan (8.9MB).

A simple JAMMA adaptor for power, a LED and some buttons provided a test setup to test the credit board. The credit LED stayed on all the time. Poking around with a scope showed that the 8035 was running without any obvious bus problems. Further, credit pulses were exiting the 8035 on pin 37 and the 74LS00 (IC6) on pin 6. However the input to Q1 base was always low. Changing Q1 (BC548) fixed the credit board. As a precaution I also changed D18 (1N4148) since it's common for the coil diode to fail and cause the drive transistor to fail. I didn't have any BC548 to hand but a suitable substitute in almost all cases is a 2N3904. Note that the 2N3904 must be fitted flipped around 180 degrees (pin-out is 123 vs. 321).

Some additional notes on this credit board:

- The "MANUTENZIONE" (maintenance) button does not appear to be a credit button. When pressed no further coin inputs were accepted.

- The "CREDITI" button added two credits but only once. Pressing again had no effect but the coin inputs continued to work fine.

- The GETT 1 & 2 inputs are the usual pair of coin door inputs. GETT 3 is the optional center coin input.

Understanding the DIP switches is a non-trivial exercise on this board - the board not only supports various coin to credit mappings but also coin to counter mappings across three coin chutes. Thankfully there is an example table in the manual :) In my case the 2nd to last entry in that table for Hungary gives 1 coin, 1 credit, 1 count on chutes 1 & 2 (chute 3 gives 1 coin, 2 credits):

SWA SWB
12345678 12345678
onononononononOFF onOFFononOFFononon

02/08/2014 - Monitor repair

Hantarex MTC-900E in cab Chassis on the bench Hantarex MTC-900E neck board

Finding the missing red was straight forward. Using an oscilloscope to compare green and blue with the missing red from the signal input forward indicated that RGB were getting onto the neck board OK. One of the BF871's in the red circuit on the neck board looked bad. Removing it and testing it in the transistor tester revealed it to be bad. Replacing it brought back the red and fixed the chassis.

Snapped ground pin 2.8mm terminal blades Zaccaria/AL MTC-900E working

Whilst fitting the chassis back into the cabinet the rusty ground pin on the neck board that connects the neck ground to the back of the tube snapped off. A suitable replacement was a Keystone 1267K from Digikey (with some slight widening of the hole). With that fixed the chassis ran fine.

Hyper Sports with lines in the sprites

Having fixed the monitor the board now had problems with lines in the sprites :(

04/09/2014 - Board repair

Hyper Sports board on the bench Hyper Sports fixed

With this kind of fault the video probe is a useful tool to see what video data is going where. Poking around showed J13 (083) output pins 12/17/13/16 looked OK. J12 (6301) output pins 9/10/11/12 also looked OK. Thus, the fault looked like it was somewhere in the line buffer part of the circuit since the raw character data output from the graphics ROMS looked OK. Moving forward showed C17 (LS157) pin 2 was lined as was E17 pin 2,4,5 etc. In fact much of the surrounding circuit was lined. Studying the schematics a little bit revealed that the pair of line buffer RAMS are used in an alternating line configuration and thus there was a problem with one of the pairs. Comparing the two sides with video probe showed D16 pin 13 "SELA" active but D16 pin 14 "SELB" idle. B19 output "D" pins had no character data. D17 pins 3/6/10 had complete sprite data OK. Checking F19 (LS21) showed a bad output signal on pin 6. Shorting pins 5->6 filled in the missing line and a quick piggy back test fixed the sprites. Replacing F19 (LS21) fixed the game ready for the next show!

Hyper Sports Maintenance 2017




prswan@gmail.com